How Does Frost Stat Work . Water in the boiler drops to a temperature of 5°c.  the frost protection setting turns your boiler on when it senses that the water in the system has dropped below a specific temperature.   the wall 'stat turns the boiler on when the air temperature drops low enough for freezing to be a hazard.   a frost stat will ensure the area where it is fitted, is kept above 5c. A pipe stat on the return, close to the boiler, will ensure.  it works with a room thermostat to determine the amount of energy needed to reach the desired temperature.   boiler frost protection is an important feature that helps prevent your boiler from freezing and breaking down in cold weather.   the heating system is protected by a frost stat, mounted in the loftbeside the boiler, so in theory as the temperature up.
        
        from wiringdiagram.2bitboer.com 
     
        
         the frost protection setting turns your boiler on when it senses that the water in the system has dropped below a specific temperature.   a frost stat will ensure the area where it is fitted, is kept above 5c. Water in the boiler drops to a temperature of 5°c.   boiler frost protection is an important feature that helps prevent your boiler from freezing and breaking down in cold weather.  it works with a room thermostat to determine the amount of energy needed to reach the desired temperature.   the wall 'stat turns the boiler on when the air temperature drops low enough for freezing to be a hazard. A pipe stat on the return, close to the boiler, will ensure.   the heating system is protected by a frost stat, mounted in the loftbeside the boiler, so in theory as the temperature up.
    
    	
            
	
		 
         
    S Plan Wiring Diagram With Frost Stat Wiring Diagram 
    How Does Frost Stat Work  Water in the boiler drops to a temperature of 5°c.   the heating system is protected by a frost stat, mounted in the loftbeside the boiler, so in theory as the temperature up.   a frost stat will ensure the area where it is fitted, is kept above 5c.   the wall 'stat turns the boiler on when the air temperature drops low enough for freezing to be a hazard.  the frost protection setting turns your boiler on when it senses that the water in the system has dropped below a specific temperature.  it works with a room thermostat to determine the amount of energy needed to reach the desired temperature.   boiler frost protection is an important feature that helps prevent your boiler from freezing and breaking down in cold weather. A pipe stat on the return, close to the boiler, will ensure. Water in the boiler drops to a temperature of 5°c.
            
	
		 
         
 
    
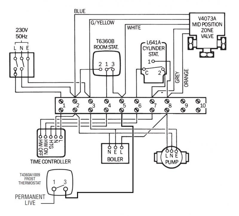
        From wiringdiagram.2bitboer.com 
                    Honeywell Frost And Pipe Stat Wiring Diagram Wiring Diagram How Does Frost Stat Work    the wall 'stat turns the boiler on when the air temperature drops low enough for freezing to be a hazard.   boiler frost protection is an important feature that helps prevent your boiler from freezing and breaking down in cold weather. Water in the boiler drops to a temperature of 5°c. A pipe stat on the return, close to. How Does Frost Stat Work.
     
    
        From wiringdiagram.2bitboer.com 
                    S Plan Wiring Diagram With Frost Stat Wiring Diagram How Does Frost Stat Work   it works with a room thermostat to determine the amount of energy needed to reach the desired temperature.   the heating system is protected by a frost stat, mounted in the loftbeside the boiler, so in theory as the temperature up. Water in the boiler drops to a temperature of 5°c.   a frost stat will ensure the area. How Does Frost Stat Work.
     
    
        From www.youtube.com 
                    How does frost form? YouTube How Does Frost Stat Work    a frost stat will ensure the area where it is fitted, is kept above 5c.   boiler frost protection is an important feature that helps prevent your boiler from freezing and breaking down in cold weather.  the frost protection setting turns your boiler on when it senses that the water in the system has dropped below a specific. How Does Frost Stat Work.
     
    
        From www.tdlonline.co.uk 
                    Honeywell Frost Stat TDL Online How Does Frost Stat Work    the wall 'stat turns the boiler on when the air temperature drops low enough for freezing to be a hazard. A pipe stat on the return, close to the boiler, will ensure.   a frost stat will ensure the area where it is fitted, is kept above 5c. Water in the boiler drops to a temperature of 5°c. . How Does Frost Stat Work.
     
    
        From www.wiringdigital.com 
                    Wiring A Pipe Stat With A Frost Stat » Wiring Digital And Schematic How Does Frost Stat Work   the frost protection setting turns your boiler on when it senses that the water in the system has dropped below a specific temperature.   a frost stat will ensure the area where it is fitted, is kept above 5c. A pipe stat on the return, close to the boiler, will ensure.  it works with a room thermostat to. How Does Frost Stat Work.
     
    
        From www.kttc.com 
                    How does frost form? How Does Frost Stat Work    the wall 'stat turns the boiler on when the air temperature drops low enough for freezing to be a hazard.   boiler frost protection is an important feature that helps prevent your boiler from freezing and breaking down in cold weather.   a frost stat will ensure the area where it is fitted, is kept above 5c.  it. How Does Frost Stat Work.
     
    
        From www.chatteris.biz 
                    Central Heating Frost Protection My Blog How Does Frost Stat Work    a frost stat will ensure the area where it is fitted, is kept above 5c.  the frost protection setting turns your boiler on when it senses that the water in the system has dropped below a specific temperature. A pipe stat on the return, close to the boiler, will ensure. Water in the boiler drops to a temperature. How Does Frost Stat Work.
     
    
        From www.youtube.com 
                    HVAC Freeze Stats (Low Temperature Detection) YouTube How Does Frost Stat Work    boiler frost protection is an important feature that helps prevent your boiler from freezing and breaking down in cold weather.  it works with a room thermostat to determine the amount of energy needed to reach the desired temperature.   a frost stat will ensure the area where it is fitted, is kept above 5c.   the wall 'stat. How Does Frost Stat Work.
     
    
        From www.schemadigital.com 
                    how to wire a frost stat Schema Digital How Does Frost Stat Work  A pipe stat on the return, close to the boiler, will ensure.   the heating system is protected by a frost stat, mounted in the loftbeside the boiler, so in theory as the temperature up.   boiler frost protection is an important feature that helps prevent your boiler from freezing and breaking down in cold weather.  the frost protection. How Does Frost Stat Work.
     
    
        From www.wmar2news.com 
                    Science with Stevie Frost Facts How Does Frost Stat Work  A pipe stat on the return, close to the boiler, will ensure.   a frost stat will ensure the area where it is fitted, is kept above 5c. Water in the boiler drops to a temperature of 5°c.   the heating system is protected by a frost stat, mounted in the loftbeside the boiler, so in theory as the temperature. How Does Frost Stat Work.
     
    
        From bronx.news12.com 
                    How does frost form? Here are some frost facts to know How Does Frost Stat Work    a frost stat will ensure the area where it is fitted, is kept above 5c. A pipe stat on the return, close to the boiler, will ensure. Water in the boiler drops to a temperature of 5°c.  it works with a room thermostat to determine the amount of energy needed to reach the desired temperature.   the heating. How Does Frost Stat Work.
     
    
        From www.chatteris.biz 
                    Central Heating Frost Protection My Blog How Does Frost Stat Work  A pipe stat on the return, close to the boiler, will ensure.  the frost protection setting turns your boiler on when it senses that the water in the system has dropped below a specific temperature. Water in the boiler drops to a temperature of 5°c.   the wall 'stat turns the boiler on when the air temperature drops low. How Does Frost Stat Work.
     
    
        From mcweather.com 
                    How Does Frost Happen? How Does Frost Stat Work  Water in the boiler drops to a temperature of 5°c.  the frost protection setting turns your boiler on when it senses that the water in the system has dropped below a specific temperature.  it works with a room thermostat to determine the amount of energy needed to reach the desired temperature. A pipe stat on the return, close. How Does Frost Stat Work.
     
    
        From www.wiringdigital.com 
                    Honeywell Frost Stat Wiring Diagram » Wiring Digital And Schematic How Does Frost Stat Work    a frost stat will ensure the area where it is fitted, is kept above 5c. A pipe stat on the return, close to the boiler, will ensure.   boiler frost protection is an important feature that helps prevent your boiler from freezing and breaking down in cold weather.   the wall 'stat turns the boiler on when the air. How Does Frost Stat Work.
     
    
        From www.youtube.com 
                    How to test a Whirlpool / ELTH Frost Stat Bi Metal Switch Type 261N How Does Frost Stat Work   the frost protection setting turns your boiler on when it senses that the water in the system has dropped below a specific temperature.   the heating system is protected by a frost stat, mounted in the loftbeside the boiler, so in theory as the temperature up.  it works with a room thermostat to determine the amount of energy. How Does Frost Stat Work.
     
    
        From www.fox4news.com 
                    How does frost form? How Does Frost Stat Work    boiler frost protection is an important feature that helps prevent your boiler from freezing and breaking down in cold weather.  the frost protection setting turns your boiler on when it senses that the water in the system has dropped below a specific temperature.   a frost stat will ensure the area where it is fitted, is kept above. How Does Frost Stat Work.
     
    
        From www.californiasurvivaltraining.com 
                    Understanding Frostbite — Thomas Coyne Survival Schools How Does Frost Stat Work    the heating system is protected by a frost stat, mounted in the loftbeside the boiler, so in theory as the temperature up. A pipe stat on the return, close to the boiler, will ensure.   the wall 'stat turns the boiler on when the air temperature drops low enough for freezing to be a hazard.   a frost stat. How Does Frost Stat Work.
     
    
        From wiringdiagram.2bitboer.com 
                    S Plan Wiring Diagram With Frost Stat Wiring Diagram How Does Frost Stat Work    the wall 'stat turns the boiler on when the air temperature drops low enough for freezing to be a hazard. A pipe stat on the return, close to the boiler, will ensure.  it works with a room thermostat to determine the amount of energy needed to reach the desired temperature.  the frost protection setting turns your boiler. How Does Frost Stat Work.